[摘要] 螺杆水冷冷水机组可用于提供空调体系冷水,与风柜及组合式空调等末端空气处理机组组成各种大型集中式空调体系,电气接线施工如何做? 下文将详细介绍!
螺杆式冷水机组结构
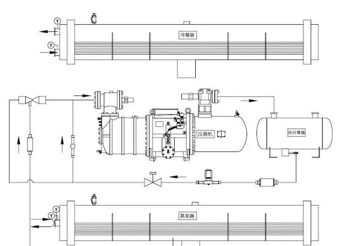
水冷螺杆式冷水机组也是冷水机组的一种,由于它的首要构成部件运用了螺杆式紧缩机,所以称号可称谓水冷螺杆式冷水机组。首要由半封闭双螺杆紧缩机、壳管式冷凝器及满液式蒸腾器、油分离器、节流机构、电气操控体系等组合而成。
(1) 蒸腾器:在机组运转过程中,蒸腾器一向坚持较低的温度和压力,以便蒸腾的制冷剂气体带走流过其内部冷冻水的热量。
(2) 冷凝器:在机组运转过程中,冷凝器一向坚持较高的温度和压力,以便流过冷凝器的冷却水带走制冷剂中的热量。
(3) 螺杆紧缩机:不断将蒸腾器中蒸腾的制冷剂气体送至冷凝器中,坚持体系的高低压差。
(4) 油分离器:将随制冷剂气体排出的冷冻油分离出来直接送回紧缩机,确保紧缩机安全可靠运转。
(5) 电控体系:选用 PLC 或单片机操控体系,可自动调理机组输出制冷量到达用户实际需求; 可操控运用侧、热源测水泵及冷却塔风机; 显现以下参数:冷冻水进出水温度、冷却水进出水温度、蒸腾、冷凝压力等体系参数; 可进行当前毛病及前史毛病记载查询。

电气接线施工
(1) 在任何电气安装作业之前应确保切断总电源,在适当的位置安装总电源开关柜。
(2) 通过电线衔接孔把主电源线、接地线接到机组电控柜内,并将接线接到相应的接线座和地线座上,有必要确保 L1,L2,L3 各相的正确衔接。
(3) 承认主电源的电压波动是在铭牌标称值的±10% 规模之内,且电压的不平衡在±2% 以内,假如超过这个规模,请将机组坚持关机状况,并当即联系当地电力部门。
相电压不平衡的计算公式为:电压不平衡率 %= 与平均电压的最大偏差 / 平均电压×100%。
(4) 在衔接主电源电缆之前,请检查各电源线相序。
(5) 衔接操控电路:将冷冻水泵、冷却水泵、冷却塔风机的交流接触器操控线、水流开关与机组电控体系正确衔接。主电源应在开机前 8 小时接通,并在作业时节应一向供电,使紧缩机加热带在紧缩机未开时能进行加热,使集结在紧缩机内的制冷剂液体挥发,防止直接开机对紧缩机产生的不良影响。

以上便是修建界暖通频道为您带来“螺杆冷水机组运调试:电气接线施工终究该怎么做?”内容,修建界暖通频道分享暖通设计相关内容,寻觅修建之美,探究修建之路,欢迎重视我们~