龙泉中学体育馆(第31届世界大学生夏季运动会配套篮球训练馆)。设计一始即关注因地制宜,复合使用的发展要求。作为校用多功能综合体育馆,兼顾社区全民健身需求。建成后陆续承办成都市第十四届运动会、第九届残疾人运动会、第31届世界大学生夏季运动会的相关比赛,是区域平赛转换、社会开放的标杆性示范项目。
Longquan High School Gymnasium (Basketball Training Hall for the 31st Summer Universiade). The design from the outset focuses on adapting to local conditions and the development requirements of compound use. As a multi-functional sports center for school use, it also caters to the community’s demand for national fitness. After completion, it successively hosted the relevant events of the 14th Chengdu Sports Games, the 9th Paralympic Games, and the 31st Summer Universiade, becoming a benchmark demonstration project for the transformation of flat competitions and social openness in the region.
▼主入口透视图,Perspective view of main entrance© 见闻建筑

复合功能,高效利用
Compound Functions and Efficient Utilization
项目用地在龙泉中学正北角,空间极度紧张。考虑学校实际使用需求,增加利用率。建筑除比训场、游泳池的大空间外,还配套有多种教学用房。设计将游泳池和篮球场垂直叠放,多功能空间穿插在看台下部和游泳馆周边,充分利用下沉庭院和校园界面组织不同功能流线,将提升使用效率和节约用地做到极致。
The project site is located at the north corner of Longquan High School, with extremely limited space. Considering the actual needs of the school, the utilization rate is increased. In addition to the large spaces for the training field and swimming pool, the building is also equipped with various teaching rooms. The design vertically stacks the swimming pool and basketball court, and the multi-functional space is interlaced under the stands and around the swimming pool, fully utilizing the sunken courtyard and the campus interface to organize different functional flows, reaching the ultimate in improving efficiency of use and land saving.
▼日景鸟瞰图,Aerial view© 存在建筑

▼沿鲸龙路鸟瞰图,Aerial view along Zhilong Road© 存在建筑

▼总平面图,Top view© 辛振

山丘绿景,场地记忆
Green Hills and Site Memory
设计希望更多保留校园原有山丘树林,将建筑基座部分的游泳馆做地景化处理,与原有地形融为一体。原始山丘通过精心打造,形成坡地公园,给学生们提供怡人的休憩场所。篮球馆成为漂浮在绿丘之上的纯净盒子,在校园和城市界面均获得了良好的视觉感受。
The design aims to retain more of the original hills and forests on the campus, and the swimming pool in the building base is treated as part of the landscape, integrating with the original terrain. Through careful planning and design, the original hills have been transformed into a sloping park, providing a pleasant resting place for students. The basketball hall is a pure box floating on the green hills, with a good visual feel at both the campus and urban interface.
▼校园内透视图,Perspective view from the campus© 见闻建筑

▼下沉广场视角透视图,Perspective view from the sunken square© 见闻建筑

▼校园广场鸟瞰,Bird ‘s-eye view of Campus square© 存在建筑

▼沿校园广场透视图,Perspective view along campus square© 存在建筑

平赛转换,一馆多用
Dual-use venue and Versatile Use
为了保证场馆的多功能使用,设计创造性的将训练场、比赛馆、校园演艺空间设置在一个大空间中。隔断封闭,比赛场和训练场一分为二,可独立使用互不干扰。隔断拉开,比赛场和训练场合二为一,形成一个大型室内空间,可供学校日常体育课及训练使用,或者作为表演场地和舞台后场。
To ensure the multi-functional use of the venue, the design creatively sets the training field, competition hall, and campus performance space in a large space. When partitioned, the competition hall and training field are separated and can be used independently without interference. When the partition is opened, the competition hall and training field are merged into one to form a large indoor space that can be used for daily physical education and training in school or as a performance and backstage venue.
▼主席台视角透视图,Perspective view from the rostrum© 存在建筑

▼沿体育场透视,Perspective view along the sport field© 存在建筑

▼立面细部,Details of the facade© 见闻建筑 / 存在建筑


建构一体,数字演绎
Integrated Construction and Digital Interpretation
建筑结构机电一体设计。篮球馆大空间桁架结构在隐蔽机电管线的同时,结合屋顶侧采光天窗,塑造了简洁明亮的室内效果。城市界面,表现了结构斜交网格肌理,结合磨砂玻璃,提高了训练空间的自然采光效果。主立面采用参数化渐变彩色铝板,抽象了当地龙泉山脉的律动,也塑造了学校建筑年轻活泼的外在形象。
▼分析图,Analysis diagram©中国建筑西南设计研究院有限公司

Building, structure and M&E are designed as an integrated whole. The large-span truss structure of the basketball hall, together with the roof-side lighting skylights, creates a simple and bright indoor effect while concealing the mechanical and electrical pipelines. The urban-facing interface showcases the structural diagonal grid texture and improve the natural lighting effect of the training space with frosted glass. The main facade adopts parameterized gradient-colored aluminum panels, abstracting the rhythm of the local Longquan Mountains and shaping the youthful and lively external image of the school’s architecture.
▼综合运动场室内透视图,Interior perspective view of the sports complex©中国建筑西南设计研究院有限公司

▼游泳馆室内透视图,Interior perspective view of the natatorium© 见闻建筑

▼残运会现场实况图,Photo during the Para Games©中国建筑西南设计研究院有限公司

▼总平面图,Master plan©中国建筑西南设计研究院有限公司

▼一层平面图,1f plan©中国建筑西南设计研究院有限公司

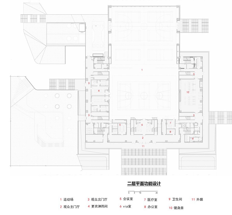
▼二层平面图,2f plan©中国建筑西南设计研究院有限公司

▼三层平面图,3f plan©中国建筑西南设计研究院有限公司

▼四层平面图,4f plan©中国建筑西南设计研究院有限公司

▼负一层平面图,B1 plan©中国建筑西南设计研究院有限公司

▼负二层平面图,B2 plan©中国建筑西南设计研究院有限公司

▼立面图,Elevations©中国建筑西南设计研究院有限公司



▼剖面图,Sections©中国建筑西南设计研究院有限公司


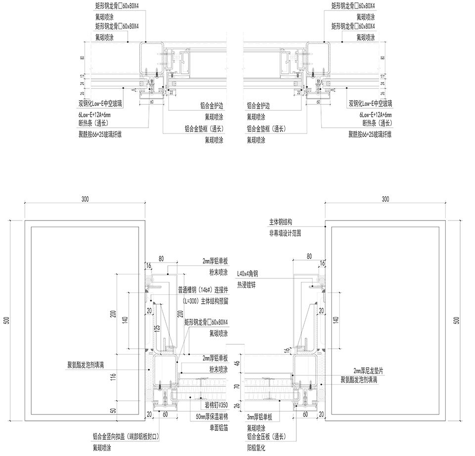
▼结构细部,Construction details©中国建筑西南设计研究院有限公司

项目名称 :龙泉中学体育馆(第31届世界大学生夏季运动会配套篮球训练馆)
建筑事务所/公司/机构/单位 :中国建筑西南设计研究院有限公司
事务所/公司/机构/单位网站 : http://www.xnjz.com/
公司所在地 :四川省成都市高新区天府大道北段866号
项目完成年份 : 2020.07
建筑面积 : 30599.24㎡
项目地址 : 四川省成都市龙泉驿区鲸龙路1057号
主创建筑师 :肖波,陈朔
主创建筑师邮箱 : 10453216@qq.com
摄影师: 存在建筑、见闻影像
摄影师网站:http://www.arch-exist.com/ 、http://www.sensorimages.net/
项目参与者
设计团队: 
项目总负责人 :肖波,陈朔
建筑设计 :钱昱全,鞠颖,吴瑶,严翔
结构设计 :张彦,赖程钢,许京梦
暖通设计 :文玲,雷智勇,
给排水设计 :杨槐,蔡阳阳,李佳
电气设计 :李慧,张伟,邱玉,杨海波
幕墙设计 :范锐,罗光龙 
室内设计 : 黎洪洲
建筑技术 :李慧群
智能化设计 :邱玉
造价专业 :彭小芳,冷在品
景观设计 :尹昕
施工方 :中昇升博集团有限公司
业主 :成都经开建设管理有限公司
City :成都
Project Name: Longquan Middle School Gymnasium (Basketball Training Hall for the 31st Summer Universiade)
Architecture Firm: China Southwest Architectural Design and Research Institute Corp.Ltd.
Website: www.xnjz.com
Firm Location: No. 866, North Section of Tianfu Avenue, Chengdu High-tech Zone, Sichuan Province, China
Completion Year: 2020.07
Gross Built Area: 30,599.24 square meters
Project location: No. 1057 Jinglong Road, Longquanyi District, Chengdu City, Sichuan Province, China
Lead Architects: XIAO Bo, CHEN Shuo
Lead Architects e-mail:10453216@qq.com
Photo credits: Arch-Exist, Sensor Images
Photographer’s website: http://www.arch-exist.com/, http://www.sensorimages.net/
Additional Credits
Design Team: 
Project Director: XIAO Bo, CHEN Shuo
Architectural Design: QIAN Yuquan, JU Ying, WU Yao, YAN Xiang
Structural Design: ZHANG Yan, LAI Chenggang, XU Jingmeng
HVAC Design: WEN Ling, LEI Zhiyong
Plumbing Design: YANG Huai, CAI Yangyang, LI Jia,
Electrical Design: LI Hui, ZHANG Wei, QIU Yu, YANG Haibo
Curtain Wall Design: FAN Rui, LUO Guanglong
Interior Design: LI Hongzhou
Building Technology: LI Huiqun
Intelligent Design: QIU Yu
Costing: PENG Xiaofang, LENG Zaipin
Landscape Design: YIN Xin
Clients: Chengdu Economic Development Construction Management Co., Ltd.
Engineering: Zhongshengshengbo Group Co., Ltd.
More:中国建筑西南设计研究院有限公司。更多关于他们,请至:China Southwest Architectural Design and Research Institute Corp.Ltd on gooood
 
                             
                        